027-87430008全国服务热线
激光打标机的结构组成和应用优势
激光打标机的结构组成和应用优势
  • 2018-01-25
  • 浏览次数:4434
  • 作者:武汉科一光电科技有限公司
摘要:

激光打标机是目前激光加工设备应用范围较为宽泛的一类机型。其广泛既体现在可加工材质的适用性上,也体现在对不同行业应用上的适用性上。


如今,随着光源的控制性加强以及适合多种工况的机械配件的配套,激光打标已在各行各业中遍地开花起来了。

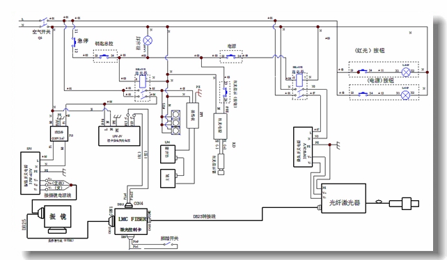
常规上来说,激光打标机的组成一般有以下几个部分:
(1)激光器部分:适用多种材质的对应激光器、冷却用风机或冷水机、红光指示器、扩束镜及各固定件。
(2)振镜扫描系统:激光运动控制打标卡(安装于工控机内)及振镜系统。
(3)控制系统:包括侧立的电路接线板和操控按钮面板。
(4)工控机及外围接口设备:包括工业计算机主机、鼠标、键盘、显示器以及先关配件等。
(5)聚焦系统:光学胶合的F-θ聚焦平场透镜。
(6)控制系统打标软件
(7)机械部分:二维工作台、机柜、显示器托盘及激光器升降台。


激光打标机的应用有各自不同的特点,但其总体上却有一些共性。
1)激光束作为工具本身的优点:高能量、光束高度集中,能对现存大多数材料进行加工,加工手段也是多种多样,微观上来讲,既能浅表层进行标记又能深度雕刻,宏观上来讲,既能对单一位置进行雕琢又能在较大的范围内快速移动进行能量传输。可打标可雕刻可钻孔,一机多能。
2)现代加工手段,灵活性和集成性强,可与目前正在成熟起来的各项科技手段结合起来,改变工业生产的各个方面,如加工速度、产量、工效、标准化作业、工人职业技能提升等。